| Sign In | Join Free | My chinacsw.com |
|
Brand Name : TYNEHAM
Model Number : DTS - 4L
Place of Origin : WENZHOU, CHINA
MOQ : 200 Pcs
Price : Negotiate
Supply Ability : 50000 PCS Per Month
Packaging Details : Foam box inside, carton outside 20 Pcs / Carton
Material of Meter Body : Plastic
Type of Connect : DIN Rail Connect
Number of Phase : 7P
Number of Wire : Four Wire
Theory : Electronic Meter
Is it possible to OEM : Yes
DTS - 4L3 Phase KWH Meter DIN Rail with LCD Display Three Phase Four Wire
PRODUCT INFORMATION
DTS-4L Series three phase electronic four wire electronic energy meter is a kind of new style three phase four wire active energy meter. It adopt stable performance,low power consumption of industrial components, use the process carefully design and manufacture.
SPECIFICATIONS
| Applicable Standard | IEC 62052-11 and IEC 62053-21 |
| Accuracy | Class1/2 |
| Voltage | 3P4W: 3×220/380V 3P3W: 3×57.7/100V,3×380V,3×100V |
| Current | 1.5(6)A,3(6)A,5(20)A,10(40)A,15(60)A,20(80)A,30(100)A ETC. |
| Frequency | 50Hz or 60Hz |
| Display |
Register 5 integer plus 1 decimal, 20(80)A,30(100)A 6 integer |
*For special requirements, such as Anti tamper,RS485,IR etc.,it is to be discussed for settlement.
DIMENSIONS

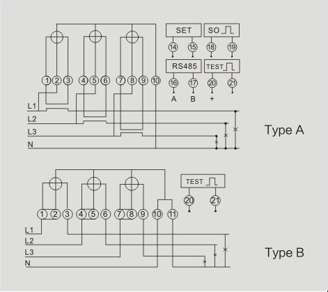
WIRING DIAGRAM

APPEARANCE


PACKING

|
|
Stable Performance 3 Phase KWH Meter DIN Rail With LCD Display 50Hz Or 60Hz Images |